走进中坚About Us

首页> 关于我们> 行业动态

电缆故障的分析与探测定位处理

来源:Jx    发布时间:2016-08-05 13:32:50    浏览量:3503

定位处理

 2016-08-01 输配电线路 


作为连接各种电气设备、传输和分配电能的电力电缆,以其安全、维护工作量少,稳定性高,有利于提高电能的质量等优点,已经得到越来越广泛的应用。目前,电力电缆所产生的故障在所有供电故障中占了相当大的比重。如何快速、准确地确定故障点位置和判断出故障类型已成为电力电缆使用和运行过程中十分关键的技术之一。


1. 电缆故障原因

电缆故障的最直接原因是绝缘降低而被击穿。导致绝缘降低的因素很多,根据实际运行经验,归纳起来不外乎以下几种情况:

1.1机械损伤

安装时损伤:

在安装时不小心碰伤电缆,机械牵引力过大而拉伤电缆,或电缆过度弯曲而损伤电缆;

直接受外力损坏:

在安装后电缆路径上或电缆附近进行城建施工,使电缆受到直接的外力损伤:

间接受外力损坏:

行驶车辆的震动或冲击性负荷会造成地下电缆的铅(铝)包裂损;

因自然现象造成的损伤:

如中间接头或终端头内绝缘胶膨胀而胀裂外壳或电缆护套;因电缆自然行程使装在管口或支架上的电缆外皮擦伤;因土地沉降引起过大拉力,拉断中间接头或导体。


1.2绝缘受潮

绝缘受潮后引起故障。造成电缆受潮的主要原因有:

因接头盒或终端盒结构不密封或安装不良而导致进水;

电缆制造不良,金属护套有小孔或裂缝;

金属护套因被外物刺伤或腐蚀穿孔;


1.3绝缘老化变质

电缆绝缘介质内部气隙在电场作用下产生游离使绝缘下降。当绝缘介质电离时,气隙中产生臭氧、硝酸等化学生成物,腐蚀绝缘;绝缘中的水分使绝缘纤维产生水解,造成绝缘下降。

过热会引起绝缘老化变质。电缆内部气隙产生电游离造成局部过热,使绝缘碳化。电缆过负荷是电缆过热很重要的因素。安装于电缆密集地区、电缆沟及电缆隧道等通风不良处的电缆、穿在干燥管中的电缆以及电缆与热力管道接近的部分等都会因本身过热而使绝缘加速损坏。


1.4过电压

过电压主要是指大气过电压(雷击)和电缆内部过电压。对实际故障进行的分析表明,许多户外终端头的故障是由大气过电压引起的。过电压使电缆绝缘层击穿,形成故障,击穿点一般是存在材料缺陷。


1.5设计和制作工艺不良

中间接头和终端头的防水、电场分布设计不周密,材料选用不当,工艺不良、不按规程要求制作会造成电缆头故障。


1.6材料缺陷

材料缺陷主要表现在三个方面。一是电缆制造的问题,铅(铝)护层留下的缺陷;在包缠绝缘过程中,纸绝缘上出现褶皱、裂损、破口和重叠间隙等缺陷;二是电缆附件制造上的缺陷,如铸铁件有砂眼,瓷件的机械强度不够,其它零件不符合规格或组装时不密封等;三是对绝缘材料的维护管理不善,造成电缆绝缘受潮、脏污和老化。


1.7护层腐蚀

由于地下酸碱腐蚀、杂散电流的影响,使电缆铅包外皮受腐蚀出现麻点、开裂或穿孔,造成故障。


1.8电缆的绝缘物流失

油浸纸绝缘电缆敷设时地沟凸凹不平,或处在电杆上的户外头,由于起伏、高低落差悬殊,高处的绝缘油流向低处而使高处电缆绝缘性能下降,导致故障发生。 


2. 故障分类

2.1按故障电阻与芯线情况分类

  • 开路(断线)故障

开路故障,又称断线故障,若电缆相间或相对地绝缘电阻达到所要求的规范值,但工作电压不能传输到终端;或虽终端有电压,但负载能力较差。当绝缘电阻=∞,即为断线故障。

  • 低阻(短路)故障

低阻故障又称短路故障电缆相间或相对地绝缘受损,其绝缘电阻小到能用低压脉冲法测量的一类故障。当绝缘电阻<10kΩ时,为短路故障。


  • 高阻(泄漏性)故障

  • 高阻(闪络性)故障

电缆相间或相对地绝缘损坏,其绝缘电阻较大,当绝缘电阻>100kΩ,不能用低压脉冲法测量的一类故障,它是相对于低阻故障而言的。包括泄漏性高阻故障和闪络性高阻故障二种类型。

以上故障分类也是为了选择测试方法的方便,根据目前流行的故障测距技术,开路与低阻故障可用低压脉冲反射法,高阻故障要用冲击闪络法,而闪络性故障可用直流闪络法测试。


2.2 按表面现象分类

  • 开放性故障

  • 封闭性故障


2.3 按接地现象分类

  • 单相接地故障

  • 相间故障

  • 多相接地混合性故障


2.4 按故障位置分类

  • 接头故障

  • 电缆本体故障


3. 探测原理

电缆故障的测试是基于电波在传输线中的传输时遇到线路阻抗不均匀而产生反向的原理。

根据传输线理论,每条线路都有其一定的特性阻抗Zc,它由线路的结构决定,而与线路的长度无关。在均匀传输线路上,任一点的输入阻抗等于特性阻抗,若终端所接负载等于特性阻抗,线路发送的电流波或电压波沿线传送,到达终端被负载全部吸收而无反向。当线路上任一点阻抗不等于Zc时,电波在该点将产生全反射或部分反射。反射的大小和极性可用反射系数P表示,其关系式如下:

式中:

Zc为传输线的特性阻抗

Zo为传输线反射点的阻抗

(1)当线路无故障时,Zo=Zc,P=0,无反射。

(2)当线路发生断线故障时,Zo=∞,P=1,线路发生全反射,且反射波与入射波极性相同。

(3)当线路发生短路时,Zo=1,P=-1,线路发生负的全反射,反射波与入射波相性相反。


4. 电缆故障探测基本步骤

电缆故障的探测一般要经过诊断、测距、定点三个步骤。


4.1故障诊断

电缆故障性质的诊断,即确定故障的类型与严重程度,以便于测试人员对症下药,选择适当的电缆故障测距与定点方法。

所谓诊断电缆故障的性质,就是指确定:故障电阻是高阻还是低阻;是闪络还是封闭性故障;是接地、短路、断线,还是它们的混合;是单相、两相,还是三相故障。

可以根据故障发生时出现的现象,初步判断故障的性质。例如,运行中的电缆发生故障时,若只是给了接地信号,则有可能是单相接地的故障。继电保护过流继电器动作,出现跳闸现象,则此时可能发生了电缆两相或三相短路或接地故障,或者是发生了短路与接地混合故障。发生这些故障时,短路或接地电流烧断电缆将形成断线故障。但通过上述判断不能完全将故障的性质确定下来,还必须测量绝缘电阻和进行“导通试验”。

测量绝缘电阻时,使用兆欧表(1千伏以下的电缆,用1000伏的兆欧表;1千伏以上的电缆,用2500伏的兆欧表)来测量电缆线芯之间和线芯对地的绝缘电阻;进行“导通试验”时,将电缆的末端三相短接,用万用表在电缆的首端测量芯线之间的电阻。


4.2故障测距

电缆故障测距又叫粗测,在电缆的一端使用仪器确定故障距离。

长期以来,涌现出了许多故障距离测量方法与仪器,这些方法与仪器适用于不同故障情况,各有优缺点。故障测距测量方法主要有阻抗发、脉冲法、闪络法等。


4.3故障定点

电缆故障定点又叫精测,即按照故障测距结果,根据电缆的路径走向,找出故障点的大体方位来,在一个很小的范围内,利用放电声测法或其它方法确定故障点的准确位置。故障顶点主要有声测法、声磁同步接收法、音频信号感应法及跨步电压法等。


5. 电缆故障测距

长期以来,涌现出了许多测量方法与仪器,这些方法与仪器适用于不同故障情况,各有优缺点,这里就故障测距与定点仪器简单地做一下评价和比较。

5.1阻抗法

阻抗法有传统的直流电桥、压降比较法及直流电阻法。下面仅简单介绍下直流电桥。

下直流电桥法是一种经典测试方法。电桥法优点是简单、方便、精确度高,但它的重要缺点是不适用于高阻与闪络性故障,因为故障电阻很高的情况下,电桥里电流很小,一般灵敏度的仪表,很难探测,实际上电缆故障大部分属于高阻与闪络性故障。在用电桥法测量故障距离之前,需用高压设备将故障点烧穿,使其故障电阻值降到可以用电桥法进行测量的范围,而故障点烧穿是件十分困难的工作,往往要花费数小时,甚至几天的时间,十分不方便,有时会出现故障点烧断,故障电阻反而升高的现象,或是故障电阻烧得太低,呈永久短路,以至不能用放电声测法进行最后定点。电桥法的另一缺点是需要知道电缆的准确长度等原始技术资料,当一条电缆线路内是由导体材料或截面不同的电缆组成时,还要进行换算,电桥法还不能测量三相短路或断路故障。现在现场上电桥法用的越来越少了,不过一些测试人员,尤其是老的测试人员,仍然习惯于使用该方法。特别是对一些特殊的故障没有明显的低压脉冲反射,但又不容易用高压击穿,如故障电阻不是太高的话,使用电桥法往往可以解决问题。

工作原理:直流单桥又称惠斯登电桥,其原理接线如图所示,图中R1, R2, R3,和R4(Rx)为电桥的4个臂,其中R4(Rx)为被测电阻。在电桥的对角ab上接直流电源,在另一对角线cd上接检流计。 

QF1—A型电缆探测仪(见下图)是目前应用较广、性能较好且又便于操作的电缆故障测试设备,可用于测量低阻接地故障、短路故障和高阻断线故障,并能测量电缆的电容及电阻值。由于其内部有一个电压为15V,300V和600V的直流电源,因而能对故障电阻较高(最高可达100kΩ)的故障进行测量。



原理接线图:


接地故障测量的实际接线图:


两相短路故障测量:在三芯电缆中测量两相短路故障,基本上和测量单相接地故障一样。与测量接地故障不同的是利用两短路相中的一相作为单相接地故障测量中的地线,以接通电桥的电源回路。如为单纯的短路故障,电桥可不接地;当故障为短路且接地故障时,应将电桥接地。

三相短路故障测量:线芯在三相短路故障中,已无好线可以利用,因此必须借用其它并行线路或装设临时线作为回路线。

直流电阻法在电缆外护层绝缘故障探测也有得较多。


5.2低压脉冲(反射)法

低压脉冲反射法,又叫雷达法,低压脉冲反射法用于测量电缆的低阻、短路与断路故障。它通过观察故障点反射脉冲与发射脉冲的时间差测距。低压脉冲反射法的优点是简单、直观、不需要知道电缆的准确长度等原始技术资料。根据脉冲反射波形还可以容易地识别电缆接头与分支点的位置。

低压脉冲反射法的缺点是不能适用于测量高阻与闪络性故障。

低压脉冲反射法工作原理:

当线路输入一个脉冲电波时,该脉冲便以速度V沿线路传输,当行Lx距离遇到故障点后被反射折回输入端,其往返时间为T,则可表示为:

Lx=VT/2

V为电波在线路中的传播速度,与线路一次参数有关,对每种线路它是一个固定值,可通过计算和仪器实测得到。将脉冲源的发射脉冲和线路故障点的反射波以一显示器实时显示,并由仪器提供的时钟信号可测得时间T。因此线路故障点的距离Lx便可由上式求得。不同故障时的波形图如下图所示。


通过以上原理,测试时向电缆注入一低压脉冲,该脉冲沿电缆传播到阻抗不匹配点,如短路点、故障点、中间接头等,脉冲产生反射,回送到测量点被仪器记录下来,通过识别反射脉冲的极性,可以判定故障的性质。断路故障反射脉冲与发射脉冲极性相同,而短路故障的反射脉冲与发射脉冲极性相反(如上图所示)。


5.3脉冲电流法

在电缆故障中,单纯的断线开路故障很少,绝大部分都是含有低电阻的、高电阻的或闪络性的单相接地、多相接地或相间故障,所以在实际测量中脉冲电缆法是最常用的测距方法之一。

脉冲电流法主要是将故障点用高压击穿,如下图所示,用仪器采集并记录下故障点击穿产生的电流行波信号,通过分析判断电流行波脉冲信号在测量端与故障点往返一次所需要的时间差△t,根据公式t=u△t/2来计算故障距离的测量方法叫脉冲电流法。脉冲电流法采用线性电流耦合器采集电缆中的电流行波信号。

脉冲电流法工作原理图

冲击电流法测试波形


脉冲电流法与低压脉冲法不同的是这里的脉冲信号是故障点放电发生的,而不是测试仪器发射的。如上图冲击电流法测试波形  所示,吧故障点放电脉冲波形的起始点定位零点,那么他到故障点发射脉冲波形的起始点的距离就是故障距离。

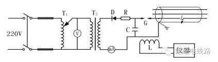
依照高压发生器对故障电缆施加高压电压的方式不同,脉冲电流法分直流高压闪络与冲击高压闪络两种测试方法。

直流高压闪络测试法(简称直闪法)的应用范围:直流高压闪络测试法用于测量闪络击穿性故障,即故障点电阻极高,在用高压试验设备把电压升到一定值时就产生闪络击穿的故障。据统计,能用直闪法测量的电缆故障,约占电缆故障总数的20%,在预防性试验中出现的电缆故障多属于该类故障。直流高压闪络测试法获得的波形简单、容易理解。而一些故障点在几次闪络放电之后,往往造成故障点电阻下降,以致不能再用直闪法测试,故实际工作中应珍惜能够进行直流高压闪络测试法测试的机会。


线性电流藕合器的输出


冲击高压闪络测试法(简称冲闪法)的应用范围:主要适用于低电阻、高阻抗的或闪络性的单相接地、多相接地或相间绝缘不良的故障。

采用冲击高压闪络测试法时因为在故障点电阻不很高时,因直流泄漏电流较大,电压几乎全降到了高压试验设备的内阻上去了,电缆上电压很小,故障点形不成闪络,必须使用冲击高压闪络测试法。冲击高压闪络测试法亦适用于测试大部分闪络性故障,当然,由于直流高压闪络测试法波形相对简单,容易获得较准确的结果,应尽量使用直流高压闪络测试法测试。

冲击高压闪络测试法与直流高压闪络测试法接线基本相同,不同的是在储能电容C与电缆之间串入一球形间隙G。


冲击法测试接线



脉冲电流测试接线图


5.4二次脉冲法

低压脉冲(反射)法测试低阻和短路故障的波形最容易识别和判读,可惜他不能测试高阻和闪络性故障,原因在于它发射的低压脉冲不能击穿这类故障点。而二次脉冲法正好解决了这个问题,他可以测试高阻和闪络性故障,而且得到的是和低脉冲法相似的波形,易于识别和判读。

二次脉冲法可以测接地、短路、断线和闪络性故障,但对于金属性接地或短路故障很难用此法进行定点。

   二次脉冲法可测量向故障电缆施加高压使故障点击穿放电后,放电电弧能长时间存在的故障。含有:高阻泄漏性故障、高阻闪络性故障等。


二次脉冲测试原理



二次脉冲测试设备接线图



二 次 脉 冲 测 试 接 线 图


6. 电缆故障定点

电缆故障的精确定点是故障探测的关键。目前,比较常用的方法是冲击放电声测法及主要用于低阻故障定点的音频感应法。实际应用中,往往因电缆故障点环境困素复杂,如振动噪声过大、电缆埋设深度过深等,造成定点困难,成为快速找到故障点的主要矛盾。

6.1声测法

直接通过听故障点放点的声音信号或看故障点放电的声音信号所转换的其他可视信号来找到故障点的方法称为声测定点法。

声测法是目前电缆故障测试中应用最广泛而又最简便的一种方法,95%以上的电缆故障都用此法进行定点,很少发生判断错误。

声测定点主要是利用故障点的放电声音定点,使用可调压的高压设备,使故障点击穿放电,故障间隙放电时产生的机械振动,传到地面,便听到“啪、啪”的声音,利用这种现象可以十分准确地对电缆故障进行定点。对于电缆护层已被烧穿的故障,往往可在地面上用人耳直接听到故障点放电声。对于护层未烧穿的电缆故障或电缆埋设较深时,地面上能听到的放电声太小,则要使用耳机来监听判断进行定点。

声测法是利用直流高压试验设备向电容器充电、储能,当电压达到某一数值时,经过放电间隙向故障线芯放电。由于故障点具有一定的故障电阻,在电容器放电过程中,此故障电阻相当于一个放电间隙,在放电时将产生机械振动。根据粗测时所确定的位置,用拾音器在故障点附近反复听测,找到地面振动最大、声音最大处,即为实际电缆故障点位置。 

 

声测法放电电压的大小,由放电间隙来控制,一般在试验时,将放电间隙调至一定位置,将放电电压控制在20~25KV之间,每隔3~4s放电一次即可。 

声测试验中如果采用电容量较大的电容器,则应考虑试验设备的容量问题。一般以采用2KV·A的试验变压器和2-3KV·A的调压器较好。硅堆也应采用容量较大的硅堆(如2DL—75KV/1A),以防止烧坏。 

声测法的优点是容易理解,便于掌握,可信性较高;缺点就是受外界环境影响较大,受人的经验和测试心态的影响较大。


6.2声磁信号同步接收定点法

通过探测传感器的放电产生的声音信号和磁场信号的时间差来找到故障点的方法,简称声磁同步接收法

实际测试中,往往由于环境噪声的干扰,使人很难辨认出真正的故障点放电声音。采用声磁同步接收法,可以提高识别能力。

测试原理是在向电缆施加冲击高压信号使故障点放电时,会在电缆的外皮与大地形成的回路中感应出环流来,这一环流在电缆周围产生脉冲磁场。由于一般环境电磁干扰与电缆故障放电的脉冲磁场相比弱得多,仪器能够可靠地检测出磁场信号。如在监听到声音信号的同时,接收到脉冲磁场信号,即可判断该声音是由故障点放电产生的,故障点就在附近 。

现场测试时,往往已听到故障点放电声音了,但仍然不能最后精确地断定故障点在何处,特别是当电缆敷设在钢管或管道里边时,困难更大。通过检测磁、声信号的时间差,可以解决这一问题。

由于磁场信号传播速度快,一般从故障点传播到仪器探头放置处所用的时间是微秒级,可忽略不计;而声音传播速度慢,传播时间在毫秒级;因此,可根据探头检出的磁、声信号的时间差,判断故障点的远近,测出时间差最小的点,即故障点。 

声磁同步法故障定点的过程:第一步用高压信号发生器向故障电缆中施加脉冲高电压 。第二步携带声磁同步法故障定点仪器,到 距离高压信号发生器十几米外的电缆路径上,查看仪器是否能接收到脉冲磁场信号。第三步依照故障测距结果与电缆的路径走向,找 出故障点的大体方位,携带声磁同步法故障定点仪器到该方位处,沿电缆的路径移动探头,寻找声音波形图。


脉冲磁场的方向与声磁时间差的显示



管道中电缆故障的定位 例


6.3音频感应法

当电缆线芯通过音频电流时,其周围将产生一个同样频率的交变磁场,这时,若在电缆附近放一个线圈,线圈中将因电磁感应而产生一个音频电势,用音频信号放大器将此信号放大后送入耳机或电表,则耳机中将听到音频信号,电表也将有所指示。若将线圈沿着电缆线路移动,则可根据声音和电表指示变化,来判断电缆故障点位置。这种方法称之为音频感应法。 

音频感应法一般用于探测故障电阻小于10欧的低阻故障。在电缆接地电阻较低时,故障点放电声音微弱,用声测法进行定点比较困难,特别是金属性接地故障的故障点根本无放电声音而无法定点。这时,便需要用音频感应法进行特殊测量。

用音频感应法对单相电路接地故障、两相短路两相短路并接地故障,以及三相短路或三相短路并接地故障进行测试,都能获得满意的效果,一般测寻所得的故障点位置之绝对误差为1~2米。其它类型故障,如一相或两相断线、单相接地等故障位置,若采用特殊探头,也能用音频感应法准确地测出来。

定音频感应法点的基本原理与用音频感应法探测埋地电缆路径的原理一样。探测时,用1千赫的音频信号发生器向待测电缆通音频电流,发出电磁波;然后,在地面上用探头沿被测电缆路径接收电磁场信号,并将之送入放大器进行放大;而后,再将放大后的信号送入耳机或指示仪表,根据耳机中声响的强弱或指示仪表指示值的大小而定出故障点的位置。


音频感应法测寻单相接地故障原理


音频感应法测寻电缆相间短路故障原理


6.4跨步电压法


外护套故障、接地故障精确定点

直埋电缆的故障点处护层破损的开放性主绝缘故障或单芯高压电缆的护层故障,可以用跨步电压法。


跨步电压法故障定点的接线

跨步电压法只能测试直埋电缆的开放性接地故障,不能用于探测非开放性的和其他敷设方式的电缆故障。


坚硬地面上进行跨步电压法定点



海底电缆的外护套故障


7. 电缆路径探测方法

在对电缆故障进行测距之后,要根据电缆的路径走向,找出故障点的大体方位来。由于有些电缆是直埋式或埋设在沟道里,而图纸资料又不齐全,不能明确判断电缆路径,这就需要专用仪器测量电缆路径。在地下管道中,往往是多条电缆并行排列,还需要从多条电缆中找出故障电缆。下面我们首先对地下电缆的磁场进行简单地分析,然后分别介绍探测电缆路径以及识别电缆的方法。

7.1音频信号感应法

7.1.1测量原理

用信号发生器在电缆始端向被测电缆输入音频信号电流,利用接收线圈在地面上接收磁场信号,在线圈中产生出感生电动势,信号放大后,通过耳机、指针或其他方式进行监视。随着接收线圈的移动,信号的大小发生变化,由此,可判断出电缆路径。路径探测仪一般都是使用耳机监听信号的幅值,所以根据探测时音响曲线的不同,探测方法分为音谷法和音峰法。下面针对相地接线方式分别介绍这两种测试方法,相地连接时地面上的磁场分布见下图。


大地电流等效电路及磁场分布


(1) 音谷法


音谷法探测电缆路径

如上图,使磁棒线圈轴线垂直于地面,慢慢移动,在线圈位于电缆正上方且垂直于电缆时,磁力线与线圈平面平行,没有磁力线穿过线圈,线圈内无感应电动势产生,耳机中听不到声响。然后将磁棒先后向两侧移动,就有一部分磁力线穿过线圈,产生感生电动势,耳机中开始听到音频响声。随着磁棒缓慢移动,声响逐步变大,当移动到某一距离时,响声最大,再往远处移动,响声又逐渐减弱。在电缆附近,声响与其位置关系形成一马鞍形曲线,曲线谷点所对应的测试位置即电缆所经过的路径。


(2) 音峰法


音峰法探测电缆路径

如上图,使磁棒线圈轴线平行于地面,做慢慢移动,在线圈位于电缆正上方时,耳机中听到的声响最大。此时穿过线圈的磁力线最多。然后将磁棒先后向两侧慢慢移动,穿过线圈的磁力线逐渐减少,响声逐渐减弱。在电缆附近,声响与其位置关系形成一钟形曲线,曲线的峰顶所对应的测试位置即电缆所经过的路径。


7.1.2 电缆埋设深度的探测

电缆埋设深度的探测

如上图所示,在电缆的导体与地之间通入音频电流信号。使电感线圈的磁棒垂直于地面,并放在被测电缆的正上方,找出耳机中声响最小(音谷)时线圈所处的位置,记下其所对应的地面位置A;然后,将线圈磁棒倾斜,使之与地面成45°角(垂直于电缆的走向)并沿电缆向左或向右移动,找到音谷点B和B’,在这两个位置上,线圈的轴线与磁力线垂直,穿过线圈的磁力线最少,耳机中听到的声音最小。两个音谷点B或B’与电缆所在点O

之间的连线BO和B,O与直线AO之间的夹角为450,三角形AOB和AOB’为等腰三角形,AB=AB’=AO。因此,电缆正上方音谷点A与另外两个音谷点B或B’之间的距离即等于电缆的埋设深度。


7.1.3 相相连接时电缆路径的探测

(a)探头竖放:音峰法 

(b)探头横放:音谷法

导体与地面平行时的路径探测

如上图所示,相相连接时电缆路径探测的原理与相地连接时是类似的。由于电缆导体的扭绞,地面上磁场的分布沿电缆的路径是变化的,音峰法与音谷法的应用有所区别。当两个通电导体所在的平面与地面垂直时,磁场的分布规律与相地连接时是一致的,以上介绍的音谷法和音峰法同样适用。在两个导体所在的平面与地面平行时,其地面上磁场分布规律如图5.5所示,由于磁力线在电缆的正上方进入地面,造成音峰及音谷的出现与相地连接时情况相反。在线圈与地面垂直放置时,在电缆正上方穿过线圈的磁力线最多,听到的音响最大,出现音峰;而在在线圈与地面平行放置时,在电缆正上方穿过线圈的磁力线最少,听到的音响最小,出现音谷。

音响随电缆扭距变化曲线

相相连接时,当在电缆的正上方把线圈与地面平行或垂直放置并沿电缆的路径移动时,监听到的音响是随电缆的扭距变化的,如上图所示。在应用音峰法或音谷法时应注意。由于电缆的两相导体靠的很近,以及外皮对电磁场的屏蔽作用,相相连接时,地面上磁场强度小,线圈接收到的信号较弱,抗外界干扰的能力差。

相相连接时地面的磁场变化比相地连接时来得快。当把线圈与地面垂直放置,沿与电缆径向垂直的方向移动探头时,听到的音响变化比较明显。在外界干扰较小的情况下,可以使用相相连接方式。


7.1.4 电缆接头的识别

很多电缆的故障点发生在电缆的中间接头上,识别出电缆中间头位置有利于尽快地找到故障点。有些发生在中间头的故障,很难使用冲击高压使故障点放电,只有尝试挖开电缆中间接头,进行仔细地观察分析。

在应用相相连接方式探测电缆路径时,电缆在中间接头处会出现声响的异常现象。由于电缆在此不扭绞,听到的声响不再有规律地变化,并且视三个导体排列的位置、接头有无铁磁屏蔽及探测方式的不同声音往往会增大或者是变小。据此便可以测定电缆中间接头的位置。


7.1.5 间接式连接

间接式连线接图

如上图所示,间接式连接是将信号源的输出线绕在待测电缆的铅

皮周围,一般耦合圈数为5~7圈。通过耦合线圈向电缆发射信号,电缆可视作一电感,产生感生电动势和感生电流,通过电缆向周围发射电磁波。间接式连接方式,可以在不停电的情况下进行路径测试,在某些不允许停电的电缆需要测试路径时,可以用此连接方式。这种方式的缺点是电磁波在向前传播的过程中损耗

大造成测寻距离不远,一般在一公里以内。


7.1.6 应用中注意的问题

注入信号的频率一般选在1千赫至15千赫之间。频率过低时,线圈的感应电动势小;频率过高时,电缆的屏蔽作用也增加使相相连接时地面上的磁场更弱,影响探测。注入的信号电流一般在1~10安培,信号频率小时电流要大一些,反之,电流要小一些。

探测时一般在电缆的另一端把电缆的两个通电导体或通电导体与地连接起来。在信号发生器频率较高时(如15KHz),可以不用在远端短接,直接利用导体对地或导体之间的分布电容产生电流信号。

相相连接时音响变化比较明显,但信号较弱;相地连接时,线圈接收到的信号较强,但音响范围过宽,不易听出声响的明显变化。

在被测电缆与运行电缆平行敷设时,运行电缆的零序电流或高次谐波会产生较大的干扰,影响探测工作的正常进行。可以使用间断的注入信号,使信号有规律地出现,以此来区别某些干扰信号。

人的耳朵监听声音幅值的能力是有限的,通过观察指针的摆动或智能仪器显示的信号幅值,可以较好地发现音峰或音谷点,提高工作效率。


7.2脉冲磁场法

音频感应法是一种传统的电缆路径探测方法,而脉冲磁场法则是最近提出来的一种新的电缆路径探测原理。

利用冲闪法测试中使用的高压试验设备,向电缆的选定导体与地之间施加冲击高压脉冲,在电缆周围产生脉冲磁场。利用接收线圈,垂直于地平面进行测量,当接收线圈由电缆的一侧移到电缆的另一侧时,由于穿过线圈的磁力线方向发生变化,测量到的脉冲磁场的初始极性相反,由正变到负或由负变到正,如下图所示,由此,可识别出所寻找的电缆。该方法是判别接收到的初始脉冲磁场的极性而不是接收信号(音响)强弱变化来识别电缆位置,故简单、方便、判断精度高、误差小于0.2米。

脉冲磁场法探测电缆路径

从探测电缆路径的角度讲,并不一定要求电缆有故障点并且故障点击穿放电。如欲确定一完好电缆的路径,可把电缆的远端接地,利用高压试验设备向电缆施加数千伏的冲击高压,产生脉冲磁场,通过检测比较脉冲磁场的初始极性探测电缆的路径。

检测电缆上冲击高压产生的脉冲磁场,判别磁场初始极性的功能很容易置入电缆故障定点仪。因此,电缆路径探测可以与电缆故障定点一并进行。

应该指出,在相相连接时不适宜应用脉冲磁场法。在电缆通电导体所在的平面与地面平行时,电缆两侧的磁力线方向是相同的,故不能通过检测磁场极性来确定电缆位置。


7.3故障电缆的鉴别

电缆沟或开挖区域里经常是多条电缆并排敷设,在寻找和排除电缆故障时,需要区分出哪条是我们要寻找的电缆。在电缆的一端,在导体对地或两导体之间通入音频电流信号,由于电缆的导体不在电缆的轴线上,而电缆周围的任一点的磁场强度与该点与通电导体的距离成反比,靠近通电导体一侧的磁场强度明显增强。因而通过测量电缆圆周上磁场的变化可以识别出所要寻找的

电缆。

7.3.1 相地通电时音响变化的测量

在电缆始端,将音频信号发生器接到电缆一相导体和外皮(接地)间,在电缆另一端将该相与外皮短接。向电缆通入信号电流。在测试现场将探测仪接收线圈围绕电缆转一周(线圈轴线与电缆外皮相切),用耳机可以监测到声响的变化。由下图所示的音响曲线可以看出,当线圈靠近通电的导体一侧时,声响最强。从而可以确定此电缆即是我们要寻找的电缆。

相地通电音响变化曲线


7.3.2  相间通电时音响变化的测量

相间通电音响变化曲线

在被测电缆始端,将信号发生器输出端接到电缆的两相导体间,在电缆另一端将该两相导体短接,并向电缆通入音频信号电流。与相地通电时相似,将探测仪接收线圈环绕待测电缆转动时(线圈轴线与电缆外皮垂直),当线圈分别在两个通电导体的正上方或下方时,接收到的磁场最强,耳机听到的声音最响,从而可根据听到的音响的变化确认该电缆即是要寻找的电缆,如上图所示


由于小编未搞够电缆故障测试,以上主要参考《电力电缆故障探测技术》及《电力电缆故障测试方法与案例分析》,不足之处请指正。

  • 相关专题